ÁªÏµÖйú¡¤½ðɳ³Çjs93Ïß·¼ì²âÖÐÐÄ(¹É·Ý)ÓÐÏÞ¹«Ë¾-¹Ù·½ÍøÕ¾

ÊÖ»ú£ºÍô˾Àí15802760502
ÓÊÏ䣺hezi027@qq.com
QQ£º3212587206
µØµã£ºÎ人Êй¤¾ßºþÇø´´¹È·20ºÅ¿Æ´´ÖÐÐÄ22¶°
Ïà¹ØÎÄÕÂ
- 1¸É»õ·ÖÏíØ¾Ö·ÅÆÁÕÏÊұȵç´ÅÆÁÕÏÊÒÒªÇó¸ü¸ß
- 2¸É»õ·ÖÏíØÎ人Öйú¡¤½ðɳ³Çjs93Ïß·¼ì²âÖÐÐÄ(¹É·Ý)ÓÐÏÞ¹«Ë¾-¹Ù·½ÍøÕ¾²úÆ·ÓÅÊÆ
- 3¸É»õ·ÖÏíØÎ人Öйú¡¤½ðɳ³Çjs93Ïß·¼ì²âÖÐÐÄ(¹É·Ý)ÓÐÏÞ¹«Ë¾-¹Ù·½ÍøÕ¾Çå¾²¹¤Óþ߲úÆ·ÓÅÊÆ
- 4¸É»õ·ÖÏíØÎ人Öйú¡¤½ðɳ³Çjs93Ïß·¼ì²âÖÐÐÄ(¹É·Ý)ÓÐÏÞ¹«Ë¾-¹Ù·½ÍøÕ¾¾Ö·ÅÒDzî±ð¼°ÓÅÊÆ
- 5¸É»õ·ÖÏíØÎ人Öйú¡¤½ðɳ³Çjs93Ïß·¼ì²âÖÐÐÄ(¹É·Ý)ÓÐÏÞ¹«Ë¾-¹Ù·½ÍøÕ¾ÎÞ¾Ö·ÅÄÍѹ²âÊÔϵͳÓÅÊÆ
- 6¸É»õ·ÖÏíØÎ人Öйú¡¤½ðɳ³Çjs93Ïß·¼ì²âÖÐÐÄ(¹É·Ý)ÓÐÏÞ¹«Ë¾-¹Ù·½ÍøÕ¾À׵繥»÷²âÊÔϵͳÓÅÊÆ
- 7HZHL-400A-I ÈýÏàÖÇÄÜ»ØÂ·µç×è²âÊÔÒDZܿÓÖ¸ÄÏ
- 8¸É»õ·ÖÏíØÖйú¡¤½ðɳ³Çjs93Ïß·¼ì²âÖÐÐÄ(¹É·Ý)ÓÐÏÞ¹«Ë¾-¹Ù·½ÍøÕ¾´óµçÁ÷ÎÂÉýϵͳÓÅÊÆ
- 9HZJB-MS È«×Ô¶¯SF6Ãܶȼ̵çÆ÷УÑéÒDZܿÓÖ¸ÄÏ
- 10¸É»õ·ÖÏíØ¼Ìµç±£»£»£»£»£»£»£»¤·´Ê¹ʲ½·¥Åàѵ
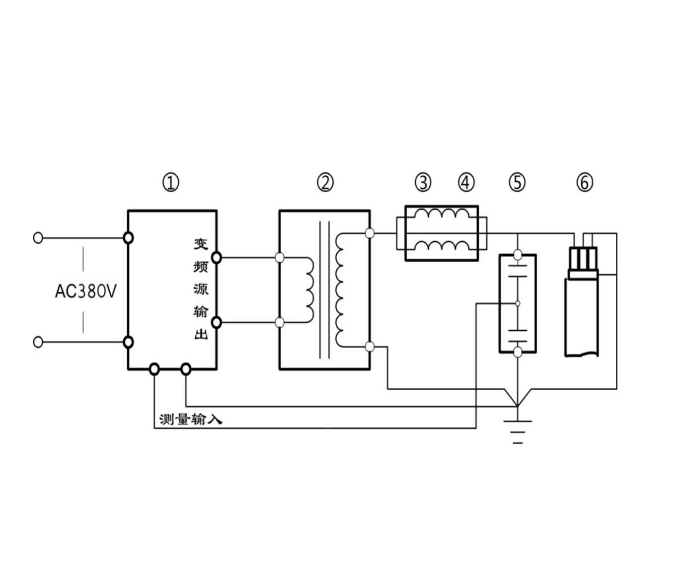
½»ÁªÒÒÏ©µçÀµĽ»Á÷ÄÍѹÊÔÑé½ÓÏßͼ
Ðû²¼Ê±¼ä£º2023-03-04 10:18:21ÈËÆø£º
½»ÁªÒÒÏ©µçÀµĽ»Á÷ÄÍѹÊÔÑé½ÓÏßͼ
½»ÁªÒÒÏ©µçÀµĽ»Á÷ÄÍѹÊÔÑé½ÓÏßͼ
¢Ù±äƵµçÔ´
¢Ú¼¤Àø±äѹÆ÷
¢Ûµç¿¹Æ÷
¢Üµç¿¹Æ÷
¢Ý·ÖѹÆ÷
¢ÞÊÔÆ·µçÀÂ


