ÁªÏµÖйú¡¤½ðɳ³Çjs93Ïß·¼ì²âÖÐÐÄ(¹É·Ý)ÓÐÏÞ¹«Ë¾-¹Ù·½ÍøÕ¾

ÊÖ»ú£ºÍô˾Àí15802760502
ÓÊÏ䣺hezi027@qq.com
QQ£º3212587206
µØµã£ºÎ人Êй¤¾ßºþÇø´´¹È·20ºÅ¿Æ´´ÖÐÐÄ22¶°
Ïà¹ØÎÄÕÂ
- 1¸É»õ·ÖÏíØÎ人Öйú¡¤½ðɳ³Çjs93Ïß·¼ì²âÖÐÐÄ(¹É·Ý)ÓÐÏÞ¹«Ë¾-¹Ù·½ÍøÕ¾ÖÇÄܼì²âÖÎÀíϵͳÏÈÈÝ
- 2¸É»õ·ÖÏíØÎ人Öйú¡¤½ðɳ³Çjs93Ïß·¼ì²âÖÐÐÄ(¹É·Ý)ÓÐÏÞ¹«Ë¾-¹Ù·½ÍøÕ¾Çå¾²¹¤Óþ߼ì²âÖÎÀíϵͳ(ÔÆÆ½Ì¨)ÏÈÈÝ
- 3¸É»õ·ÖÏíØÁ½ÖÖÀ׵繥»÷×°±¸±ÈÕÕÓÅÈõµã
- 4¸É»õ·ÖÏíØ¾Ö·ÅÆÁÕÏÊұȵç´ÅÆÁÕÏÊÒÒªÇó¸ü¸ß
- 5¸É»õ·ÖÏíØÎ人Öйú¡¤½ðɳ³Çjs93Ïß·¼ì²âÖÐÐÄ(¹É·Ý)ÓÐÏÞ¹«Ë¾-¹Ù·½ÍøÕ¾²úÆ·ÓÅÊÆ
- 6¸É»õ·ÖÏíØÎ人Öйú¡¤½ðɳ³Çjs93Ïß·¼ì²âÖÐÐÄ(¹É·Ý)ÓÐÏÞ¹«Ë¾-¹Ù·½ÍøÕ¾Çå¾²¹¤Óþ߲úÆ·ÓÅÊÆ
- 7¸É»õ·ÖÏíØÎ人Öйú¡¤½ðɳ³Çjs93Ïß·¼ì²âÖÐÐÄ(¹É·Ý)ÓÐÏÞ¹«Ë¾-¹Ù·½ÍøÕ¾¾Ö·ÅÒDzî±ð¼°ÓÅÊÆ
- 8¸É»õ·ÖÏíØÎ人Öйú¡¤½ðɳ³Çjs93Ïß·¼ì²âÖÐÐÄ(¹É·Ý)ÓÐÏÞ¹«Ë¾-¹Ù·½ÍøÕ¾ÎÞ¾Ö·ÅÄÍѹ²âÊÔϵͳÓÅÊÆ
- 9¸É»õ·ÖÏíØÎ人Öйú¡¤½ðɳ³Çjs93Ïß·¼ì²âÖÐÐÄ(¹É·Ý)ÓÐÏÞ¹«Ë¾-¹Ù·½ÍøÕ¾À׵繥»÷²âÊÔϵͳÓÅÊÆ
- 10HZHL-400A-I ÈýÏàÖÇÄÜ»ØÂ·µç×è²âÊÔÒDZܿÓÖ¸ÄÏ
¸É»õ¿ÎÌà | ¶Ï·Æ÷¶þ´Î¿ØÖÆ»ØÂ·ÔÀíͼ½â
Ðû²¼Ê±¼ä£º2025-03-04 14:26:23ÈËÆø£º
±¾ÎļòÆÓÐÎò¶Ï·Æ÷¿ØÖÆ»ØÂ·µÄ»ùÀ´Ô´Àí£¬£¬£¬£¬£¬£¬ÓÉ×î»ù±¾µÄ»ØÂ·ÈëÊÖ£¬£¬£¬£¬£¬£¬Öð²½¼ÓÈë·ÀÌø»ØÂ·ºÍ±ÕËø»ØÂ·£¬£¬£¬£¬£¬£¬²¢¶Ôµç·×öһЩÍêÉÆ¡£¡£¡£¡£¡£ËäÈ»£¬£¬£¬£¬£¬£¬±¾ÎÄËù¸ø³öµÄ»ØÂ·ÔÀíͼ½ö½öÊÇ×î×î»ù±¾µÄ¡¢ÓÃÓÚÚ¹ÊÍÆä»ùÀ´Ô´ÀíµÄ£¬£¬£¬£¬£¬£¬ÏÖʵӦÓÃÖеĻØÂ·ÒªÖØ´óµÃ¶à¡£¡£¡£¡£¡£
Ò»´Î×°±¸ÊÇÖ¸Ö±½ÓÓÃÓÚÉú²ú¡¢ÔËËÍ¡¢·ÖÅɵçÄܵĵçÆ÷×°±¸£¬£¬£¬£¬£¬£¬°üÀ¨·¢µç»ú¡¢µçÁ¦±äѹÆ÷¡¢¶Ï·Æ÷¡¢¸ôÍÑÀë¹Ø¡¢Ä¸Ïß¡¢µçÁ¦µçÀºÍÊäµçÏß·µÈ£¬£¬£¬£¬£¬£¬ÊÇ×é³ÉµçÁ¦ÏµÍ³µÄÖ÷Ìå¡£¡£¡£¡£¡£¶þ´Î×°±¸ÊÇÓÃÓÚ¶ÔµçÁ¦ÏµÍ³¼°Ò»´Î×°±¸µÄ¹¤¿ö¾ÙÐмà²â¡¢¿ØÖÆ¡¢µ÷ÀíºÍ±£»£»£»£»£»£»¤µÄµÍѹµçÆø×°±¸£¬£¬£¬£¬£¬£¬°üÀ¨ÕÉÁ¿ÒÇ±í¡¢Í¨Ñ¶×°±¸µÈ¡£¡£¡£¡£¡£¶þ´Î×°±¸Ö®¼äµÄÏ໥ÅþÁ¬µÄ»ØÂ·Í³³ÆÎª¶þ´Î»ØÂ·£¬£¬£¬£¬£¬£¬ËüÊÇÈ·±£µçÁ¦ÏµÍ³Çå¾²Éú²ú¡¢¾¼ÃÔËÐкͿɿ¿¹©µç²»¿Éȱ°±ÉÄÖ÷Òª×é³É²¿·Ö¡£¡£¡£¡£¡£
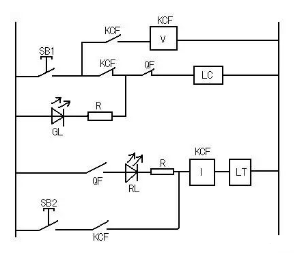
Ò»¡¢ ×î×î»ù±¾µÄ»ØÂ·ÔÀíͼ
SB1£ººÏÕ¢¿ª¹Ø SB2£º·ÖÕ¢¿ª¹Ø QF£º¶Ï·Æ÷¸¨Öú´¥µã LC£ººÏÕ¢ÏßȦ LT£º·ÖÕ¢ÏßȦ
ÆäÐж¯ÔÀíºÜ¼òÆÓ£¬£¬£¬£¬£¬£¬²»ÔÙ׸Êö¡£¡£¡£¡£¡£
¶þ¡¢ ÔöÌí·ÀÌø»ØÂ·
ÉÏÃæµÄ»ØÂ·±£´æÒ»¸öÎÊÌ⣺
ÈôÊÇSB1°´Ï£¬£¬£¬£¬£¬£¬¶ø´Ëʱµç·Öб£´æ¹ÊÕÏ£¬£¬£¬£¬£¬£¬¼Ìµç±£»£»£»£»£»£»¤×°±¸»áÁ¬Ã¦Ðж¯£¬£¬£¬£¬£¬£¬Ê¹¶Ï·Æ÷ÌøÕ¢£¬£¬£¬£¬£¬£¬´ËÀú³ÌÏÕЩ˲ʱ±¬·¢£¬£¬£¬£¬£¬£¬¶ø²Ù×÷Ö°Ô±ÉÐÀ´È±·¦ËÉ¿ªSB1£¬£¬£¬£¬£¬£¬ÔòSB1»ØÂ·ÖеÄQFÓÉÓÚ¶Ï·Æ÷ÌøÕ¢¶ø¸´Óֱպϣ¬£¬£¬£¬£¬£¬´Ëʱ»áµ¼ÖÂLCÔٴεõ磬£¬£¬£¬£¬£¬¶Ï·Æ÷ÔٴκÏÕ¢¡£¡£¡£¡£¡£ÔÆÔÆÍù¸´£¬£¬£¬£¬£¬£¬±¬·¢ÁË“ÌøÔ¾”¡£¡£¡£¡£¡£
ÈôÊǺÏÕ¢Àֳɣ¬£¬£¬£¬£¬£¬µ«SB1ÓÉÓÚijÖÖÔµ¹ÊÔÓÉÕ³Á¬¶øÎÞ·¨¶Ï¿ª£¬£¬£¬£¬£¬£¬ÄÇôÔÚ²Ù×÷Ö°Ô±°´ÏÂSB2¾ÙÐзÖբʱ£¬£¬£¬£¬£¬£¬ÓÉÓÚSB1Õ³Á¬£¬£¬£¬£¬£¬£¬Í¬Ñù»áµ¼ÖÂÌøÔ¾Õ÷ÏóµÄ±¬·¢¡£¡£¡£¡£¡£
ÌøÔ¾Õ÷Ïó¶Ô×°±¸ºÍ²Ù×÷Ö°Ô±µÄÇå¾²¾ù×é³ÉºÜ´óΣº¦£¬£¬£¬£¬£¬£¬ÒÔÊÇÐèÒªÔöÌí·ÀÌø»ØÂ·¡£¡£¡£¡£¡£
ÔöÌíÁË·ÀÌø»ØÂ·µÄÔÀíͼÈçÏ£º
KCF(I)£ºµçÁ÷·ÀÌø¼ÌµçÆ÷£¬£¬£¬£¬£¬£¬µçÁ÷µÖ´ïÏÞÖÆÖµÊ±Ðж¯£¬£¬£¬£¬£¬£¬´Ë»ØÂ·ÖУ¬£¬£¬£¬£¬£¬±ÜÃâºÏÕ¢ÓÚ¹ÊÕÏʱµÄÌøÔ¾
KCF(V)£ºµçѹ·ÀÌø¼ÌµçÆ÷£¬£¬£¬£¬£¬£¬µçѹµÖ´ïÏÞÖÆÖµÊ±Ðж¯£¬£¬£¬£¬£¬£¬´Ë»ØÂ·ÖУ¬£¬£¬£¬£¬£¬±ÜÃâ·ÖÕ¢ÓÚ¹ÊÕÏʱµÄÌøÔ¾
Ðж¯Àú³ÌÈçÏ£º
ºÏÕ¢£ºSB1°´Ï¡£¡£¡£¡£¡£Â̵ƣ¨GL£©Ê§µçϨÃ𣬣¬£¬£¬£¬£¬LCµÃµç¡£¡£¡£¡£¡£¶Ï·Æ÷ºÏÕ¢¡£¡£¡£¡£¡£QF¸Ä±ä״̬¡£¡£¡£¡£¡£ºìµÆ£¨RL£©ÁÁ£¬£¬£¬£¬£¬£¬KCF(I)µÃµç¡¾ÓÉÓÚÓÐRLºÍRµÄÏÞÁ÷£¬£¬£¬£¬£¬£¬·ÖÕ¢ÏßȦLTȱ·¦ÒÔÐж¯¡¿¡£¡£¡£¡£¡£KCF¸÷¸¨Öú´¥µã¸Ä±ä״̬¡£¡£¡£¡£¡£KCF(V)µÃµç¡£¡£¡£¡£¡£
µÖ´ïÉÏÊö״̬£¬£¬£¬£¬£¬£¬ÔòºÏÕ¢Ðж¯Íê³É£¬£¬£¬£¬£¬£¬´ËÀú³ÌÏÕЩ˲ʱÍê³É£¬£¬£¬£¬£¬£¬SB1ÉÐÀ´È±·¦ËÉ¿ª¡£¡£¡£¡£¡£
Èô´ËʱÓÉÓÚ¹ÊÕÏ£¬£¬£¬£¬£¬£¬±£»£»£»£»£»£»¤×°ÖÃʹ¶Ï·Æ÷ÌøÕ¢£¬£¬£¬£¬£¬£¬ÔòÓÉÓÚKCF(V)µÄ¼á³Ö×÷Ó㬣¬£¬£¬£¬£¬SB1»ØÂ·¾KCF¸¨Öú´¥µã¸ÄµÀKCF(V)»ØÂ·£¬£¬£¬£¬£¬£¬²»»áÔÙʹLCµÃµç£¬£¬£¬£¬£¬£¬Ò²¾Í×èÖ¹Á˶Ï·Æ÷µÄÔٴκÏÕ¢£¬£¬£¬£¬£¬£¬´Ó¶ø×èÖ¹ÁËÌøÔ¾µÄ±¬·¢¡£¡£¡£¡£¡£
ÈôÊÇ»ØÂ·Ã»ÓйÊÕÏ£¬£¬£¬£¬£¬£¬ÔòºÏÕ¢Àֳɡ£¡£¡£¡£¡£´ËʱËÉ¿ªSB1£¬£¬£¬£¬£¬£¬ÔòKCF(V)ʧµç£¬£¬£¬£¬£¬£¬µ«ÓÉÓÚKCF(I)ÒÀÈ»µÃµç£¬£¬£¬£¬£¬£¬ÔòKCFµÄ¸÷¸ö¸¨Öú´¥µã¼á³Ö¡£¡£¡£¡£¡£
·ÖÕ¢£ºSB2°´Ï¡£¡£¡£¡£¡£RLʧµçϨÃ𣬣¬£¬£¬£¬£¬LTµÃµçÇÒµÖ´ïÏÞÖÆµçÊ¢Ðж¯¡£¡£¡£¡£¡£¶Ï·Æ÷·ÖÕ¢¡£¡£¡£¡£¡£QF»Ö¸´µ½Í¼Öгõʼ״̬¡£¡£¡£¡£¡£Õý³£×´Ì¬Ï£¬£¬£¬£¬£¬£¬ÔÚºÏÕ¢Àֳɺ󣬣¬£¬£¬£¬£¬¸÷KCF¸¨Öú´¥µãÈÔÈ»¼á³ÖºÏÕ¢ºóµÄ״̬£¬£¬£¬£¬£¬£¬Ê¹SB1֧·¾ÓÉKCF(V)µ¼Í¨¡£¡£¡£¡£¡£ËÉ¿ªSB2¡£¡£¡£¡£¡£KCF(I)¡¢KCF(V)¾ùʧµç¡£¡£¡£¡£¡£¸÷KCF¸¨Öú´¥µã»Ö¸´Í¼Öгõʼ״̬£¬£¬£¬£¬£¬£¬GL»ØÂ·µ¼Í¨£¬£¬£¬£¬£¬£¬Â̵ÆÁÁ¡¾ÓÉÓÚÓÐGLºÍRµÄÏÞÁ÷£¬£¬£¬£¬£¬£¬LCºÏÕ¢ÏßȦȱ·¦ÒÔÐж¯¡¿¡£¡£¡£¡£¡£
ÈôÓÉÓÚ¹ÊÕÏ£¬£¬£¬£¬£¬£¬×îµä·¶ÈçSB1Õ³Á¬£ºÓÉÓÚºÏÕ¢Àֳɺó¸÷KCF¸¨Öú´¥µãµÄ¼á³Ö£¬£¬£¬£¬£¬£¬´Ëʱ£¬£¬£¬£¬£¬£¬SB1»ØÂ·¸ÄµÀKCF(V)»ØÂ·£¬£¬£¬£¬£¬£¬²»»áÔÙʹLCÔÙ´ÎµÃµç¶øµ¼Ö¶Ï·Æ÷ºÏÕ¢£¬£¬£¬£¬£¬£¬´Ó¶ø×èÖ¹ÁËÌøÔ¾Õ÷ÏóµÄ±¬·¢¡£¡£¡£¡£¡£
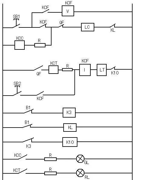
Èý¡¢ÔöÌí±ÕËø»ØÂ·
ÔöÌíÁË·ÀÌø»ØÂ·µÄ¿ØÖÆ»ØÂ·ÒÑ»ñµÃÁËÒ»¶¨µÄÍêÉÆ£¬£¬£¬£¬£¬£¬¿ÉÊÇÈÔ±£´æÎÊÌ⣺ÀýÈç¶Ï·Æ÷µÄ²Ù¶¯ÏµÍ³±£´æÎÊÌ⣨Һѹ¡¢ÆøÑ¹¹ý¸ß»ò¹ýµÍ£¬£¬£¬£¬£¬£¬µ¯»É´¢ÄÜÉÐδÍê³ÉµÈ£©£¬£¬£¬£¬£¬£¬´Ëʱ¾ÙÐз֡¢ºÏÕ¢²Ù×÷£¬£¬£¬£¬£¬£¬ÔòºÜÈÝÒ×µ¼Ö·֡¢ºÏÕ¢µÄÐж¯Ê§°Ü¡£¡£¡£¡£¡£ÀýÈ磺¶Ï·Æ÷µÄ²ÙÄîÍ·¹¹Îªµ¯»É£¬£¬£¬£¬£¬£¬Èôµ¯»É´¢ÄÜδÍê³É£¬£¬£¬£¬£¬£¬Ôò·Ö¡¢ºÏÕ¢Ðж¯²»¿ÉÍê³É£¬£¬£¬£¬£¬£¬»òÍê³ÉµÃ²»µ½Î»£¬£¬£¬£¬£¬£¬ÈÝÒ×¶Ô×°±¸Ôì³ÉË𺦡£¡£¡£¡£¡£
¹ÊÐèÔöÌí±ÕËø»ØÂ·£¬£¬£¬£¬£¬£¬±ÜÃâ´ËÀàÇéÐα¬·¢¡£¡£¡£¡£¡£ÏÂÃæÒÔµ¯»É²ÙÄîÍ·¹¹µÄ¶Ï·Æ÷¾ÙÀý£¬£¬£¬£¬£¬£¬¼òҪ˵Ã÷Ò»ÏÂÔöÌíµ¯»É´¢ÄܱÕËø»ØÂ·µÄ¶þ´Î»ØÂ·¡£¡£¡£¡£¡£
ÔÀíͼÈçÏ£º
B1£ºµ¯»É´¢ÄÜδÍê³Éʱ±ÕºÏ
Èôµ¯»É´¢ÄÜδÍê³É£¬£¬£¬£¬£¬£¬ÔòB1±ÕºÏ£¬£¬£¬£¬£¬£¬ÏßȦK3¡¢KLµÃµç£¬£¬£¬£¬£¬£¬×îÖÕµ¼Ö¸¨Öú´¥µãKL¡¢K10Ìø¿ª£¬£¬£¬£¬£¬£¬´ËʱÎÞÂÛÊǺÏÕ¢ÕվɷÖÕ¢¾ùÎÞ·¨ÊµÏÖ£¬£¬£¬£¬£¬£¬Æðµ½ÁËËùÆÚÍûµÄ±ÕËøÐ§¹û¡£¡£¡£¡£¡£
ËÄ¡¢½øÒ»²½µÄÍêÉÆ
Ö±µ½µÚÈý½Ú£¬£¬£¬£¬£¬£¬±¾ÎÄËùÓû¼òÊöµÄ¶Ï·Æ÷¶þ´Î»ØÂ·Òѳõ¾ß³ûÐΣ¬£¬£¬£¬£¬£¬µ«ÈÔÐè×ö½øÒ»²½µÄÍêÉÆ£ºÖ¸Ê¾µÆRLºÍGLÖ±½Ó½ÓÔÚ·Ö¡¢ºÏÕ¢ÏßȦËùÔÚ»ØÂ·ÖУ¬£¬£¬£¬£¬£¬ÈôÊÇËùÓõÄÊǹ¦ÂʽϴóµÄ°×³ãµÆ£¬£¬£¬£¬£¬£¬Ôò»áÔÚ·Ö¡¢ºÏÕ¢ÏßȦÉϱ¬·¢½Ï´óѹ½µ£¬£¬£¬£¬£¬£¬Í¬Ê±ÇжϷ֡¢ºÏÕ¢ÏßȦʱ¿ÉÄܱ¬·¢µÄ½Ï´ó×ÌÈŵçѹҲÈÝÒ×ʹ°×³ãµÆÉÕ»µ¡£¡£¡£¡£¡£Òª×èÖ¹ÉÏÊöÈõµã£¬£¬£¬£¬£¬£¬¿ÉÒÔÓÃÖÐÐļ̵çÆ÷½ÓÔÚ·Ö¡¢ºÏÕ¢»ØÂ·£¬£¬£¬£¬£¬£¬ÔÙÓɼ̵çÆ÷½Óµã¿ØÖÆÖ¸Ê¾µÆ£¬£¬£¬£¬£¬£¬ÔÀíͼÈçÏ£º£¨ÆäÔÀíÏà¶Ô¼òÆÓ£¬£¬£¬£¬£¬£¬´Ë´¦²»ÔÙ׸Êö£©
Ò»´Î×°±¸ÊÇÖ¸Ö±½ÓÓÃÓÚÉú²ú¡¢ÔËËÍ¡¢·ÖÅɵçÄܵĵçÆ÷×°±¸£¬£¬£¬£¬£¬£¬°üÀ¨·¢µç»ú¡¢µçÁ¦±äѹÆ÷¡¢¶Ï·Æ÷¡¢¸ôÍÑÀë¹Ø¡¢Ä¸Ïß¡¢µçÁ¦µçÀºÍÊäµçÏß·µÈ£¬£¬£¬£¬£¬£¬ÊÇ×é³ÉµçÁ¦ÏµÍ³µÄÖ÷Ìå¡£¡£¡£¡£¡£¶þ´Î×°±¸ÊÇÓÃÓÚ¶ÔµçÁ¦ÏµÍ³¼°Ò»´Î×°±¸µÄ¹¤¿ö¾ÙÐмà²â¡¢¿ØÖÆ¡¢µ÷ÀíºÍ±£»£»£»£»£»£»¤µÄµÍѹµçÆø×°±¸£¬£¬£¬£¬£¬£¬°üÀ¨ÕÉÁ¿ÒÇ±í¡¢Í¨Ñ¶×°±¸µÈ¡£¡£¡£¡£¡£¶þ´Î×°±¸Ö®¼äµÄÏ໥ÅþÁ¬µÄ»ØÂ·Í³³ÆÎª¶þ´Î»ØÂ·£¬£¬£¬£¬£¬£¬ËüÊÇÈ·±£µçÁ¦ÏµÍ³Çå¾²Éú²ú¡¢¾¼ÃÔËÐкͿɿ¿¹©µç²»¿Éȱ°±ÉÄÖ÷Òª×é³É²¿·Ö¡£¡£¡£¡£¡£
Ò»¡¢ ×î×î»ù±¾µÄ»ØÂ·ÔÀíͼ

SB1£ººÏÕ¢¿ª¹Ø SB2£º·ÖÕ¢¿ª¹Ø QF£º¶Ï·Æ÷¸¨Öú´¥µã LC£ººÏÕ¢ÏßȦ LT£º·ÖÕ¢ÏßȦ
ÆäÐж¯ÔÀíºÜ¼òÆÓ£¬£¬£¬£¬£¬£¬²»ÔÙ׸Êö¡£¡£¡£¡£¡£
¶þ¡¢ ÔöÌí·ÀÌø»ØÂ·
ÉÏÃæµÄ»ØÂ·±£´æÒ»¸öÎÊÌ⣺
ÈôÊÇSB1°´Ï£¬£¬£¬£¬£¬£¬¶ø´Ëʱµç·Öб£´æ¹ÊÕÏ£¬£¬£¬£¬£¬£¬¼Ìµç±£»£»£»£»£»£»¤×°±¸»áÁ¬Ã¦Ðж¯£¬£¬£¬£¬£¬£¬Ê¹¶Ï·Æ÷ÌøÕ¢£¬£¬£¬£¬£¬£¬´ËÀú³ÌÏÕЩ˲ʱ±¬·¢£¬£¬£¬£¬£¬£¬¶ø²Ù×÷Ö°Ô±ÉÐÀ´È±·¦ËÉ¿ªSB1£¬£¬£¬£¬£¬£¬ÔòSB1»ØÂ·ÖеÄQFÓÉÓÚ¶Ï·Æ÷ÌøÕ¢¶ø¸´Óֱպϣ¬£¬£¬£¬£¬£¬´Ëʱ»áµ¼ÖÂLCÔٴεõ磬£¬£¬£¬£¬£¬¶Ï·Æ÷ÔٴκÏÕ¢¡£¡£¡£¡£¡£ÔÆÔÆÍù¸´£¬£¬£¬£¬£¬£¬±¬·¢ÁË“ÌøÔ¾”¡£¡£¡£¡£¡£
ÈôÊǺÏÕ¢Àֳɣ¬£¬£¬£¬£¬£¬µ«SB1ÓÉÓÚijÖÖÔµ¹ÊÔÓÉÕ³Á¬¶øÎÞ·¨¶Ï¿ª£¬£¬£¬£¬£¬£¬ÄÇôÔÚ²Ù×÷Ö°Ô±°´ÏÂSB2¾ÙÐзÖբʱ£¬£¬£¬£¬£¬£¬ÓÉÓÚSB1Õ³Á¬£¬£¬£¬£¬£¬£¬Í¬Ñù»áµ¼ÖÂÌøÔ¾Õ÷ÏóµÄ±¬·¢¡£¡£¡£¡£¡£
ÌøÔ¾Õ÷Ïó¶Ô×°±¸ºÍ²Ù×÷Ö°Ô±µÄÇå¾²¾ù×é³ÉºÜ´óΣº¦£¬£¬£¬£¬£¬£¬ÒÔÊÇÐèÒªÔöÌí·ÀÌø»ØÂ·¡£¡£¡£¡£¡£
ÔöÌíÁË·ÀÌø»ØÂ·µÄÔÀíͼÈçÏ£º

KCF(I)£ºµçÁ÷·ÀÌø¼ÌµçÆ÷£¬£¬£¬£¬£¬£¬µçÁ÷µÖ´ïÏÞÖÆÖµÊ±Ðж¯£¬£¬£¬£¬£¬£¬´Ë»ØÂ·ÖУ¬£¬£¬£¬£¬£¬±ÜÃâºÏÕ¢ÓÚ¹ÊÕÏʱµÄÌøÔ¾
KCF(V)£ºµçѹ·ÀÌø¼ÌµçÆ÷£¬£¬£¬£¬£¬£¬µçѹµÖ´ïÏÞÖÆÖµÊ±Ðж¯£¬£¬£¬£¬£¬£¬´Ë»ØÂ·ÖУ¬£¬£¬£¬£¬£¬±ÜÃâ·ÖÕ¢ÓÚ¹ÊÕÏʱµÄÌøÔ¾
Ðж¯Àú³ÌÈçÏ£º
ºÏÕ¢£ºSB1°´Ï¡£¡£¡£¡£¡£Â̵ƣ¨GL£©Ê§µçϨÃ𣬣¬£¬£¬£¬£¬LCµÃµç¡£¡£¡£¡£¡£¶Ï·Æ÷ºÏÕ¢¡£¡£¡£¡£¡£QF¸Ä±ä״̬¡£¡£¡£¡£¡£ºìµÆ£¨RL£©ÁÁ£¬£¬£¬£¬£¬£¬KCF(I)µÃµç¡¾ÓÉÓÚÓÐRLºÍRµÄÏÞÁ÷£¬£¬£¬£¬£¬£¬·ÖÕ¢ÏßȦLTȱ·¦ÒÔÐж¯¡¿¡£¡£¡£¡£¡£KCF¸÷¸¨Öú´¥µã¸Ä±ä״̬¡£¡£¡£¡£¡£KCF(V)µÃµç¡£¡£¡£¡£¡£
µÖ´ïÉÏÊö״̬£¬£¬£¬£¬£¬£¬ÔòºÏÕ¢Ðж¯Íê³É£¬£¬£¬£¬£¬£¬´ËÀú³ÌÏÕЩ˲ʱÍê³É£¬£¬£¬£¬£¬£¬SB1ÉÐÀ´È±·¦ËÉ¿ª¡£¡£¡£¡£¡£
Èô´ËʱÓÉÓÚ¹ÊÕÏ£¬£¬£¬£¬£¬£¬±£»£»£»£»£»£»¤×°ÖÃʹ¶Ï·Æ÷ÌøÕ¢£¬£¬£¬£¬£¬£¬ÔòÓÉÓÚKCF(V)µÄ¼á³Ö×÷Ó㬣¬£¬£¬£¬£¬SB1»ØÂ·¾KCF¸¨Öú´¥µã¸ÄµÀKCF(V)»ØÂ·£¬£¬£¬£¬£¬£¬²»»áÔÙʹLCµÃµç£¬£¬£¬£¬£¬£¬Ò²¾Í×èÖ¹Á˶Ï·Æ÷µÄÔٴκÏÕ¢£¬£¬£¬£¬£¬£¬´Ó¶ø×èÖ¹ÁËÌøÔ¾µÄ±¬·¢¡£¡£¡£¡£¡£
ÈôÊÇ»ØÂ·Ã»ÓйÊÕÏ£¬£¬£¬£¬£¬£¬ÔòºÏÕ¢Àֳɡ£¡£¡£¡£¡£´ËʱËÉ¿ªSB1£¬£¬£¬£¬£¬£¬ÔòKCF(V)ʧµç£¬£¬£¬£¬£¬£¬µ«ÓÉÓÚKCF(I)ÒÀÈ»µÃµç£¬£¬£¬£¬£¬£¬ÔòKCFµÄ¸÷¸ö¸¨Öú´¥µã¼á³Ö¡£¡£¡£¡£¡£
·ÖÕ¢£ºSB2°´Ï¡£¡£¡£¡£¡£RLʧµçϨÃ𣬣¬£¬£¬£¬£¬LTµÃµçÇÒµÖ´ïÏÞÖÆµçÊ¢Ðж¯¡£¡£¡£¡£¡£¶Ï·Æ÷·ÖÕ¢¡£¡£¡£¡£¡£QF»Ö¸´µ½Í¼Öгõʼ״̬¡£¡£¡£¡£¡£Õý³£×´Ì¬Ï£¬£¬£¬£¬£¬£¬ÔÚºÏÕ¢Àֳɺ󣬣¬£¬£¬£¬£¬¸÷KCF¸¨Öú´¥µãÈÔÈ»¼á³ÖºÏÕ¢ºóµÄ״̬£¬£¬£¬£¬£¬£¬Ê¹SB1֧·¾ÓÉKCF(V)µ¼Í¨¡£¡£¡£¡£¡£ËÉ¿ªSB2¡£¡£¡£¡£¡£KCF(I)¡¢KCF(V)¾ùʧµç¡£¡£¡£¡£¡£¸÷KCF¸¨Öú´¥µã»Ö¸´Í¼Öгõʼ״̬£¬£¬£¬£¬£¬£¬GL»ØÂ·µ¼Í¨£¬£¬£¬£¬£¬£¬Â̵ÆÁÁ¡¾ÓÉÓÚÓÐGLºÍRµÄÏÞÁ÷£¬£¬£¬£¬£¬£¬LCºÏÕ¢ÏßȦȱ·¦ÒÔÐж¯¡¿¡£¡£¡£¡£¡£
ÈôÓÉÓÚ¹ÊÕÏ£¬£¬£¬£¬£¬£¬×îµä·¶ÈçSB1Õ³Á¬£ºÓÉÓÚºÏÕ¢Àֳɺó¸÷KCF¸¨Öú´¥µãµÄ¼á³Ö£¬£¬£¬£¬£¬£¬´Ëʱ£¬£¬£¬£¬£¬£¬SB1»ØÂ·¸ÄµÀKCF(V)»ØÂ·£¬£¬£¬£¬£¬£¬²»»áÔÙʹLCÔÙ´ÎµÃµç¶øµ¼Ö¶Ï·Æ÷ºÏÕ¢£¬£¬£¬£¬£¬£¬´Ó¶ø×èÖ¹ÁËÌøÔ¾Õ÷ÏóµÄ±¬·¢¡£¡£¡£¡£¡£
Èý¡¢ÔöÌí±ÕËø»ØÂ·
ÔöÌíÁË·ÀÌø»ØÂ·µÄ¿ØÖÆ»ØÂ·ÒÑ»ñµÃÁËÒ»¶¨µÄÍêÉÆ£¬£¬£¬£¬£¬£¬¿ÉÊÇÈÔ±£´æÎÊÌ⣺ÀýÈç¶Ï·Æ÷µÄ²Ù¶¯ÏµÍ³±£´æÎÊÌ⣨Һѹ¡¢ÆøÑ¹¹ý¸ß»ò¹ýµÍ£¬£¬£¬£¬£¬£¬µ¯»É´¢ÄÜÉÐδÍê³ÉµÈ£©£¬£¬£¬£¬£¬£¬´Ëʱ¾ÙÐз֡¢ºÏÕ¢²Ù×÷£¬£¬£¬£¬£¬£¬ÔòºÜÈÝÒ×µ¼Ö·֡¢ºÏÕ¢µÄÐж¯Ê§°Ü¡£¡£¡£¡£¡£ÀýÈ磺¶Ï·Æ÷µÄ²ÙÄîÍ·¹¹Îªµ¯»É£¬£¬£¬£¬£¬£¬Èôµ¯»É´¢ÄÜδÍê³É£¬£¬£¬£¬£¬£¬Ôò·Ö¡¢ºÏÕ¢Ðж¯²»¿ÉÍê³É£¬£¬£¬£¬£¬£¬»òÍê³ÉµÃ²»µ½Î»£¬£¬£¬£¬£¬£¬ÈÝÒ×¶Ô×°±¸Ôì³ÉË𺦡£¡£¡£¡£¡£
¹ÊÐèÔöÌí±ÕËø»ØÂ·£¬£¬£¬£¬£¬£¬±ÜÃâ´ËÀàÇéÐα¬·¢¡£¡£¡£¡£¡£ÏÂÃæÒÔµ¯»É²ÙÄîÍ·¹¹µÄ¶Ï·Æ÷¾ÙÀý£¬£¬£¬£¬£¬£¬¼òҪ˵Ã÷Ò»ÏÂÔöÌíµ¯»É´¢ÄܱÕËø»ØÂ·µÄ¶þ´Î»ØÂ·¡£¡£¡£¡£¡£
ÔÀíͼÈçÏ£º

B1£ºµ¯»É´¢ÄÜδÍê³Éʱ±ÕºÏ
Èôµ¯»É´¢ÄÜδÍê³É£¬£¬£¬£¬£¬£¬ÔòB1±ÕºÏ£¬£¬£¬£¬£¬£¬ÏßȦK3¡¢KLµÃµç£¬£¬£¬£¬£¬£¬×îÖÕµ¼Ö¸¨Öú´¥µãKL¡¢K10Ìø¿ª£¬£¬£¬£¬£¬£¬´ËʱÎÞÂÛÊǺÏÕ¢ÕվɷÖÕ¢¾ùÎÞ·¨ÊµÏÖ£¬£¬£¬£¬£¬£¬Æðµ½ÁËËùÆÚÍûµÄ±ÕËøÐ§¹û¡£¡£¡£¡£¡£
ËÄ¡¢½øÒ»²½µÄÍêÉÆ
Ö±µ½µÚÈý½Ú£¬£¬£¬£¬£¬£¬±¾ÎÄËùÓû¼òÊöµÄ¶Ï·Æ÷¶þ´Î»ØÂ·Òѳõ¾ß³ûÐΣ¬£¬£¬£¬£¬£¬µ«ÈÔÐè×ö½øÒ»²½µÄÍêÉÆ£ºÖ¸Ê¾µÆRLºÍGLÖ±½Ó½ÓÔÚ·Ö¡¢ºÏÕ¢ÏßȦËùÔÚ»ØÂ·ÖУ¬£¬£¬£¬£¬£¬ÈôÊÇËùÓõÄÊǹ¦ÂʽϴóµÄ°×³ãµÆ£¬£¬£¬£¬£¬£¬Ôò»áÔÚ·Ö¡¢ºÏÕ¢ÏßȦÉϱ¬·¢½Ï´óѹ½µ£¬£¬£¬£¬£¬£¬Í¬Ê±ÇжϷ֡¢ºÏÕ¢ÏßȦʱ¿ÉÄܱ¬·¢µÄ½Ï´ó×ÌÈŵçѹҲÈÝÒ×ʹ°×³ãµÆÉÕ»µ¡£¡£¡£¡£¡£Òª×èÖ¹ÉÏÊöÈõµã£¬£¬£¬£¬£¬£¬¿ÉÒÔÓÃÖÐÐļ̵çÆ÷½ÓÔÚ·Ö¡¢ºÏÕ¢»ØÂ·£¬£¬£¬£¬£¬£¬ÔÙÓɼ̵çÆ÷½Óµã¿ØÖÆÖ¸Ê¾µÆ£¬£¬£¬£¬£¬£¬ÔÀíͼÈçÏ£º£¨ÆäÔÀíÏà¶Ô¼òÆÓ£¬£¬£¬£¬£¬£¬´Ë´¦²»ÔÙ׸Êö£©


