ÁªÏµÖйú¡¤½ðɳ³Çjs93Ïß·¼ì²âÖÐÐÄ(¹É·Ý)ÓÐÏÞ¹«Ë¾-¹Ù·½ÍøÕ¾

ÊÖ»ú£ºÍô˾Àí15802760502
ÓÊÏ䣺hezi027@qq.com
QQ£º3212587206
µØµã£ºÎ人Êй¤¾ßºþÇø´´¹È·20ºÅ¿Æ´´ÖÐÐÄ22¶°
Ïà¹ØÎÄÕÂ
- 1¸É»õ·ÖÏíØ¾Ö·ÅÆÁÕÏÊұȵç´ÅÆÁÕÏÊÒÒªÇó¸ü¸ß
- 2¸É»õ·ÖÏíØÎ人Öйú¡¤½ðɳ³Çjs93Ïß·¼ì²âÖÐÐÄ(¹É·Ý)ÓÐÏÞ¹«Ë¾-¹Ù·½ÍøÕ¾²úÆ·ÓÅÊÆ
- 3¸É»õ·ÖÏíØÎ人Öйú¡¤½ðɳ³Çjs93Ïß·¼ì²âÖÐÐÄ(¹É·Ý)ÓÐÏÞ¹«Ë¾-¹Ù·½ÍøÕ¾Çå¾²¹¤Óþ߲úÆ·ÓÅÊÆ
- 4¸É»õ·ÖÏíØÎ人Öйú¡¤½ðɳ³Çjs93Ïß·¼ì²âÖÐÐÄ(¹É·Ý)ÓÐÏÞ¹«Ë¾-¹Ù·½ÍøÕ¾¾Ö·ÅÒDzî±ð¼°ÓÅÊÆ
- 5¸É»õ·ÖÏíØÎ人Öйú¡¤½ðɳ³Çjs93Ïß·¼ì²âÖÐÐÄ(¹É·Ý)ÓÐÏÞ¹«Ë¾-¹Ù·½ÍøÕ¾ÎÞ¾Ö·ÅÄÍѹ²âÊÔϵͳÓÅÊÆ
- 6¸É»õ·ÖÏíØÎ人Öйú¡¤½ðɳ³Çjs93Ïß·¼ì²âÖÐÐÄ(¹É·Ý)ÓÐÏÞ¹«Ë¾-¹Ù·½ÍøÕ¾À׵繥»÷²âÊÔϵͳÓÅÊÆ
- 7HZHL-400A-I ÈýÏàÖÇÄÜ»ØÂ·µç×è²âÊÔÒDZܿÓÖ¸ÄÏ
- 8¸É»õ·ÖÏíØÖйú¡¤½ðɳ³Çjs93Ïß·¼ì²âÖÐÐÄ(¹É·Ý)ÓÐÏÞ¹«Ë¾-¹Ù·½ÍøÕ¾´óµçÁ÷ÎÂÉýϵͳÓÅÊÆ
- 9HZJB-MS È«×Ô¶¯SF6Ãܶȼ̵çÆ÷УÑéÒDZܿÓÖ¸ÄÏ
- 10¸É»õ·ÖÏíØ¼Ìµç±£»£»£»£»£»£»¤·´Ê¹ʲ½·¥Åàѵ
10KV/35KV/110KVµçÀÂÄÍѹÊÔÑéÒªÁì¼°¹æ·¶
Ðû²¼Ê±¼ä£º2023-02-21 17:36:17ÈËÆø£º
Ò»µçÀÂÄÍѹÊÔÑé¼òÊö
½üÄêÀ´£¬£¬£¬£¬£¬ÏðËܾøÔµÌØÊâÊǽ»Áª¾ÛÒÒÏ©µçÀ£¬£¬£¬£¬£¬ÒòÆä¾ßÓÐÓÅÒìµÄÐÔÄÜ£¬£¬£¬£¬£¬»ñµÃÁËѸËÙµÄÉú³¤¡£¡£¡£¡£¡£¡£¡£ÏÖÔÚÔÚÖеÍѹµçѹƷ¼¶Öлù±¾È¡´úÁËÓͽþÖ½¾øÔµµçÀ£¬£¬£¬£¬£¬³¬¸ßѹ½»Áª¾ÛÒÒÏ©µçÀÂÒѾÉú³¤ÖÁ500KV£¬£¬£¬£¬£¬110KV¼°220KV½»Áª¾ÛÒÒÏ©µçÀÂÕýÔÚÖð²½È¡´ú³äµçµçÀ¡£¡£¡£¡£¡£¡£¡£
µçÀÂÄÍѹÊÔÑéÒªÁìÏê½â
ÄÍѹÊÔÑéÊÇÔËÐв¿·Ö¼ì²éµçÀ¿¹Ç¿¶ÈµÄ³£ÓÃÒªÁ죬£¬£¬£¬£¬Í¨¹ýÄÍѹÊÔÑé¿ÉÒÔÓÐÓõļì²é³öµçÀ¾øÔµÖÐµÄÆøÅÝ¡¢»úеËðÉ˵Ⱦֲ¿È±ÏÝ£¬£¬£¬£¬£¬·´Ó¦³ö³öµçÀ¾øÔµÀÏ»¯¡¢Êܳ±µÈÇéÐΡ£¡£¡£¡£¡£¡£¡£
ƾ֤ÊÔÑéµçѹµÄ²î±ð£¬£¬£¬£¬£¬µçÀÂÄÍѹÊÔÑéÓÖ·ÖΪֱÁ÷ÄÍѹÊÔÑéºÍ½»Á÷ÄÍѹÊÔÑé¡£¡£¡£¡£¡£¡£¡£
ͨ¹ýÖ±Á÷ÄÍѹÊÔÑé¿ÉÒÔ¼ì²é³öµçÀ¾øÔµÖÐµÄÆøÅÝ¡¢»úеËðÉ˵Ⱦֲ¿È±ÏÝ£¬£¬£¬£¬£¬Í¨¹ýÖ±Á÷ййµçÁ÷ÕÉÁ¿¿ÉÒÔ·´Ó¦¾øÔµÀÏ»¯¡¢Êܳ±µÈȱÏÝ£¬£¬£¬£¬£¬´Ó¶øÅиôÀëԵ״̬µÄÓÅÁÓ¡£¡£¡£¡£¡£¡£¡£
¿ÉÊÇÆ¾Ö¤º£ÄÚÍâһЩÔËÐÐÂÄÀúÅú×¢£¬£¬£¬£¬£¬ÈôÊǶԽ»Áª¾ÛÒÒÏ©µçÀÂÊ©¼ÓÖ±Á÷µçѹ£¬£¬£¬£¬£¬ÄÇôֱÁ÷ÊÔÑéÀú³ÌÖÐÔÚ½»Áª¾ÛÒÒÏ©µçÀ¼°Æä¸½¼þÖлáÐγɿռäµçºÉ£¬£¬£¬£¬£¬¶Ô¾øÔµ£¬£¬£¬£¬£¬ÓлýÀÛЧӦ£¬£¬£¬£¬£¬¼ÓËÙ¾øÔµÀÏ»¯£¬£¬£¬£¬£¬Ëõ¶ÌʹÓÃÊÙÃü£¬£¬£¬£¬£¬Í¬Ê±£¬£¬£¬£¬£¬Ö±Á÷µçѹϾøÔµµç³¡ÂþÑÜÓëÏÖʵÔËÐеçѹϲî±ð¡£¡£¡£¡£¡£¡£¡£
Ö±Á÷ÊÔÑé¼°¸ñµÄ½»Áª¾ÛÒÒÏ©µçÀ£¬£¬£¬£¬£¬Í¶ÈëÔËÐк󣬣¬£¬£¬£¬ÔÚÕý³£ÊÂÇéµçѹ×÷ÓÃÏÂÒ²»á±¬·¢¾øÔµÊ¹ʡ£¡£¡£¡£¡£¡£¡£Í¨¹ýÊ©¼Ó½»Á÷ÊÔÑéµçѹ£¬£¬£¬£¬£¬¿ÉÒÔ×èÖ¹ÒÔÉÏȱ·¦£¬£¬£¬£¬£¬²¢ÇÒ¿ÉÒÔÓÐÓõØÅбðÕý³£¾øÔµµÄ¾øÔµË®Æ½¡£¡£¡£¡£¡£¡£¡£Òò´Ë£¬£¬£¬£¬£¬Ïà¹ØÈËÊ¿½¨Òé¶Ô½»Áª¾ÛÒÒÏ©µçÀ½ðÊô»¤Ì×½ÓÄÉ10KV¡¢1minÖ±Á÷ÄÍѹÊÔÑéÍ⣬£¬£¬£¬£¬»¹ÔöÌíÁËÓô®ÁªÐ³Õñ»ò0.1Hz³¬µÍƵÀ´½»Á÷ÄÍѹµçѹÊÔÑé¡£¡£¡£¡£¡£¡£¡£
¶þµçÀÂÖ±Á÷ÄÍѹÊÔÑéÒªÁì
µçÀÂÖ±Á÷ÄÍѹÊÔÑéÄ¿µÄ
ͨ¹ýÖ±Á÷ÄÍѹÊÔÑé¿ÉÒÔ¼ì²é³öµçÀ¾øÔµÖÐµÄÆøÅÝ¡¢»úеËðÉ˵Ⱦֲ¿È±ÏÝ£¬£¬£¬£¬£¬Í¨¹ýÖ±Á÷ййµçÁ÷ÕÉÁ¿¿ÉÒÔ·´Ó¦¾øÔµÀÏ»¯¡¢Êܳ±µÈȱÏÝ£¬£¬£¬£¬£¬´Ó¶øÅиôÀëԵ״̬µÄÓÅÁÓ¡£¡£¡£¡£¡£¡£¡£
µçÀµÄÖ±Á÷ÄÍѹÊÔÑé¿ÉÓÃÖ±Á÷¸ßѹ±¬·¢Æ÷À´¾ÙÐÐÊÔÑ飬£¬£¬£¬£¬ZGFÖ±Á÷¸ßѹ±¬·¢Æ÷µÄµçѹ¡¢µçÁ÷±í¾ùΪÊý×ÖÏÔʾ£¬£¬£¬£¬£¬µçÑ¹Çø·ÖÂÊΪ0.1kV£¬£¬£¬£¬£¬µçÁ÷Çø·ÖÂÊΪ0.1uA£¬£¬£¬£¬£¬¿ØÖÆÏäÉϵçѹ±íÖ±½ÓÏÔʾ¼ÓÔÚ¸ºÔØÊÔÆ·Éϵĵçѹֵ£¬£¬£¬£¬£¬Ê¹ÓÃʱÎÞÐèÍâ¼Ó·ÖѹÆ÷£¬£¬£¬£¬£¬½ÓÏß¼òÆÓ¡£¡£¡£¡£¡£¡£¡£ÒÇÓþßÓиߡ¢µÍѹ¶ËÕÉÁ¿Ð¹Ð¹µçÁ÷£¬£¬£¬£¬£¬¸ßѹ¶Ë½ÓÄÉÔ²ÐÎÆÁÕÏÊý×Ö±íÏÔʾ£¬£¬£¬£¬£¬²»Å·ŵ繥»÷£¬£¬£¬£¬£¬¿¹×ÌÈÅÐÔÄܺ㬣¬£¬£¬£¬ÊʺÏÏÖ³¡Ê¹Óᣡ£¡£¡£¡£¡£¡£
Ö±Á÷ÄÍѹºÍй¶µçÁ÷ÊÔÑéÔÀí½ÓÏßͼ
1-΢°²±íÆÁÕÏ 2-µ¼Ï߯ÁÕÏ
3-Ïß¶ËÆÁÕÏ 4-ÀÂо¾øÔµµÄÆÁÕÏ»·
µçÀÂÖ±Á÷ÄÍѹÊÔÑéÒªÁì
1)ƾ֤ÊÔÑé½ÓÏßͼÓÉÒ»È˽ÓÏߣ¬£¬£¬£¬£¬½ÓÏßÍêºóÓÉÁíÒ»È˼ì²é£¬£¬£¬£¬£¬ÄÚÈݰüÀ¨ÊÔÑé½ÓÏßÓÐÎÞ¹ýʧ£¬£¬£¬£¬£¬¸÷ÒDZíÁ¿³ÌÊÇ·ñºÏÊÊ£¬£¬£¬£¬£¬ÊÔÑéÒÇÆ÷ÏÖ³¡½á¹¹ÊÇ·ñºÏÀí£¬£¬£¬£¬£¬ÊÔÑéÖ°Ô±µÄλÖÃÊÇ·ñ׼ȷ¡£¡£¡£¡£¡£¡£¡£
2)½«µçÀ³ä·Ö·Åµç£¬£¬£¬£¬£¬Ö¸Ê¾ÒDZíµ÷Á㣬£¬£¬£¬£¬µ÷ѹÆ÷ÖÃÓÚÁãλ¡£¡£¡£¡£¡£¡£¡£
3)ÕÉÁ¿µçÔ´µçѹֵ¡£¡£¡£¡£¡£¡£¡£
4)ºÏÉϵçÔ´µ¶Õ¢£¬£¬£¬£¬£¬Æô¶¯×°±¸£¬£¬£¬£¬£¬¸øÉýѹ»ØÂ·¼Óµç£¬£¬£¬£¬£¬Öð²½ÉýѹÖÁÔ¤ÏÈÈ·¶¨µÄÊÔÑéµçѹֵ£ºÔÚ0.25¡¢0.5¡¢0.75±¶ÊÔÑéµçѹϸ÷Í£Áô1·ÖÖÓ£¬£¬£¬£¬£¬¶ÁȡййµçÁ÷Öµ£¬£¬£¬£¬£¬ÔÚ1.0±¶ÊÔÑéµçѹ϶ÁÈ¡1·ÖÖÓ¼°5.·ÖÖÓййµçÁ÷Öµ£¬£¬£¬£¬£¬½»½Óʱ»¹Ó¦¶ÁÈ¡10·ÖÖÓºÍ15·ÖÖÓййµçÁ÷Öµ¡£¡£¡£¡£¡£¡£¡£
5)ÊÔÑéÍê±Ï£¬£¬£¬£¬£¬Ó¦ÏȽ«Éýѹ»ØÂ·Öе÷ѹÆ÷ÍË»ØÁãλ²¢ÇжϵçÔ´¡£¡£¡£¡£¡£¡£¡£
6)ÿ´ÎÊÔÑéºó£¬£¬£¬£¬£¬±ØÐ轫µçÀÂÏȾµç×è¶ÔµØ·Åµç£¬£¬£¬£¬£¬È»ºó¶ÔµØÖ±½Ó·Åµç¡£¡£¡£¡£¡£¡£¡£·Åµçʱ£¬£¬£¬£¬£¬Ó¦Ê¹ÓþøÔµ°ô£¬£¬£¬£¬£¬²¢¿Éƾ֤±»ÊÔÏà·Åµç»ð»¨µÄ¾Þϸ£¬£¬£¬£¬£¬»òÐíÏàʶÆä¾øÔµ×´Ì¬¡£¡£¡£¡£¡£¡£¡£
µçÀÂÖ±Á÷ÄÍѹÊÔÑéÅжϱê×¼
¶ÔÖ½¾øÔµµçÀ¶øÑÔ£¬£¬£¬£¬£¬ÈýÏà¼äµÄййµçÁ÷²»Æ½ºâϵÊý²»Ó¦´óÓÚ2£¬£¬£¬£¬£¬6/6kV¼°ÒÔϵçÀµÄййµçÁ÷СÓÚ10μA£¬£¬£¬£¬£¬8.7/10kVµçÀµÄййµçÁ÷ֵСÓÚ20μAʱ£¬£¬£¬£¬£¬¶Ô²»Æ½ºâϵÊý²»×÷»®¶¨¡£¡£¡£¡£¡£¡£¡£
ÔÚ¼ÓѹÀú³ÌÖУ¬£¬£¬£¬£¬Ð¹Ð¹µçÁ÷ͻȻת±ä£¬£¬£¬£¬£¬»òÕßËæÊ±¼äµÄÔöÌí¶øÔö´ó£¬£¬£¬£¬£¬»òÕßËæÊÔÑéµçѹµÄÉÏÉý¶ø²»¿É±ÈÀýµØ¼±¾çÔö´ó£¬£¬£¬£¬£¬ËµÃ÷µçÀ¾øÔµ±£´æÈ±ÏÝ£¬£¬£¬£¬£¬Ó¦½øÒ»²½²éÃ÷Ôµ¹ÊÔÓÉ£¬£¬£¬£¬£¬ÐëҪʱ¿ÉÑÓÉìÄÍѹʱ¼ä»òÌá¸ßÄÍѹֵÀ´ÕÒ¾øÔµÈ±ÏÝ¡£¡£¡£¡£¡£¡£¡£
ÏàÓëÏà¼äµÄййµçÁ÷Ïà²îºÜ´ó£¬£¬£¬£¬£¬ËµÃ÷µçÀÂijоÏß¾øÔµ¿ÉÄܱ£´æ¾Ö²¿È±ÏÝ¡£¡£¡£¡£¡£¡£¡£
µçÀ½»Á÷ÄÍѹÊÔÑéÒªÁì
µçÀ½»Á÷ÄÍѹÊÔÑéÄ¿µÄ
ͨ¹ýÊ©¼Ó½»Á÷ÊÔÑéµçѹ£¬£¬£¬£¬£¬¿ÉÒÔÌî²¹µçÀÂÖ±Á÷ÄÍѹÊÔÑéµÄȱ·¦£¬£¬£¬£¬£¬²¢ÇÒ¿ÉÒÔÓÐÓõØÅбðÕý³£¾øÔµµÄ¾øÔµË®Æ½¡£¡£¡£¡£¡£¡£¡£
ÕÉÁ¿µçÀµĽ»Á÷ÄÍѹÊÔÑé³£ÓõÄ×°±¸ÊÇ±äÆµ´®ÁªÐ³ÕñÄÍѹװÖ㬣¬£¬£¬£¬´®ÁªÐ³ÕñÊÔÑé×°ÖÃÊÇÔËÓô®ÁªÐ³ÕñÔÀí£¬£¬£¬£¬£¬Ê¹ÓÃÀø´Å±äѹÆ÷Òý·¢´®ÁªÐ³Õñ»ØÂ·£¬£¬£¬£¬£¬µ÷Àí±äƵ¿ØÖÆÆ÷µÄÊä³öƵÂÊ£¬£¬£¬£¬£¬Ê¹»ØÂ·µç¸Ð L ºÍÊÔÆ· C ´®ÁªÐ³Õñ£¬£¬£¬£¬£¬Ð³Õñµçѹ¼´Îª¼Óµ½ÊÔÆ·Éϵçѹ¡£¡£¡£¡£¡£¡£¡£×°±¸¾ßÓÐÌå»ýС¡¢ÖØÁ¿Çá¡¢²Ù×÷Àû±ãµÈÓŵ㡣¡£¡£¡£¡£¡£¡£³ý´ËÖ®Í⣬£¬£¬£¬£¬»¹ÒÔ½ÓÄɳ¬µÍƵÄÍѹÊÔÑé×°ÖþÙÐеçÀµĽ»Á÷ÄÍÊÔÑé¡£¡£¡£¡£¡£¡£¡£
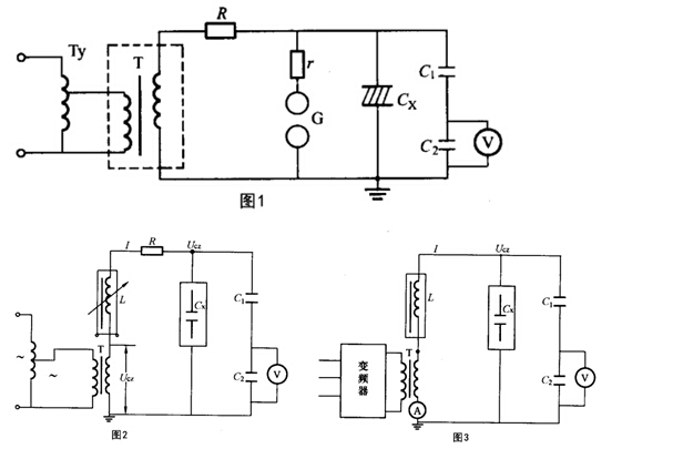
µçÀ½»Á÷ÄÍѹÊÔÑé½ÖÏßÔÀíͼ
ͼ1 ¹¤ÆµÄÍѹÊÔÑé½ÓÏßͼ
Ty—µ÷ѹÆ÷£»£»£»£»£»£»T—ÊÔÑé±äѹÆ÷£»£»£»£»£»£»R—ÏÞÁ÷µç£»£»£»£»£»£»r—Çò϶ºÃºýµç×裻£»£»£»£»£»G—Çò¼ä϶£»£»£»£»£»£»
Cx—±»ÊÔÆ·£»£»£»£»£»£»C1¡¢C2—µçÈÝ·ÖѹÆ÷£»£»£»£»£»£»V—µçѹ±í
ͼ2 ¹¤Æµ´®ÁªÐ³ÕñÄÍѹÊÔÑé½ÓÏßͼ
ͼ3 ±äƵ´®ÁªÐ³ÕñÄÍѹÊÔÑé½ÓÏßͼ
µçÀ½»Á÷ÄÍѹÊÔÑéÒªÁì
1)¼ì²éÊÔÑéµçÔ´¡¢µ÷ѹÆ÷ºÍÊÔÑé±äѹÆ÷Õý³£¡£¡£¡£¡£¡£¡£¡£°´½ÓÏßͼ׼±¸ÊÔÑ飬£¬£¬£¬£¬°ü¹ÜËùÓÐÊÔÑé×°±¸¡¢ÒDZíÒÇÆ÷½ÓÏß׼ȷ¡¢Ö¸Ê¾×¼È·¡£¡£¡£¡£¡£¡£¡£
2) Ò»ÇÐ×°±¸ÒDZí½ÓºÃºó£¬£¬£¬£¬£¬ÔÚ¿ÕÔØÌõ¼þϵ÷½â±£»£»£»£»£»£»¤¼ä϶£¬£¬£¬£¬£¬Æä·ÅµçµçѹΪÊÔÑéµçѹµÄ110% - 120%¹æÄ£ÄÚ£¨Èç½ÓÄÉ´®ÁªÐ³Õñ£¬£¬£¬£¬£¬ÐèÒªÁíÍâµÄ±äѹÆ÷µ÷½â±£»£»£»£»£»£»¤¼ä϶£©¡£¡£¡£¡£¡£¡£¡£²¢µ÷½âÊÔÑéµçѹÔÚ¸ßÓÚÊÔÑéµçѹ5%ÏÂά³Ö2minºó½«µçѹ½µÖÁÁ㣬£¬£¬£¬£¬À¿ªµçÔ´¡£¡£¡£¡£¡£¡£¡£
3)¾ÓÉÏÞÁ÷µç×èRÔÚ¸ßѹ²à¶Ì·£¬£¬£¬£¬£¬µ÷½â¹ýÁ÷±£»£»£»£»£»£»¤ÌøÕ¢µÄ¿É¿¿ÐÔ¡£¡£¡£¡£¡£¡£¡£
4)µçѹºÍµçÁ÷±£»£»£»£»£»£»¤µ÷ÊÔ¼ì²éÎÞÎ󣬣¬£¬£¬£¬ÖÖÖÖÒDZí½ÓÏß׼ȷºó£¬£¬£¬£¬£¬¼´¿É½«¸ßѹÒýÏß½Óµ½±»ÊÔÈÆ×éÉϾÙÐÐÊÔÑé¡£¡£¡£¡£¡£¡£¡£
5)Éýѹ±ØÐè´ÓÁã×îÏÈ£¬£¬£¬£¬£¬ÉýѹËÙÂÊÔÚ40%ÊÔÑéµçѹÒÔÄڿɲ»ÊÜÏÞÖÆ£¬£¬£¬£¬£¬ØÊºóÓ¦ÔȳÆÉýѹ£¬£¬£¬£¬£¬ËÙÂÊԼÿÃë3%µÄÊÔÑéµçѹ¡£¡£¡£¡£¡£¡£¡£ÉýÖÁÊÔÑéµçѹºóά³Ö¹æ³ÌËù»®×¼Ê±¼ä¡£¡£¡£¡£¡£¡£¡£
6)½«µçѹ½µÖÁÁ㣬£¬£¬£¬£¬À¿ªµçÔ´£¬£¬£¬£¬£¬¸ÃÊÔÑ鿢ʡ£¡£¡£¡£¡£¡£¡£
µçÀ½»Á÷ÄÍѹÊÔÑéÅжϱê×¼
ÈôÊÇÊÔÑéÖÐ䱬·¢»÷´©·ÅµçÕ÷Ï󣬣¬£¬£¬£¬ÔòÒÔΪÊÔÑéͨ¹ý¡£¡£¡£¡£¡£¡£¡£
½üÄêÀ´£¬£¬£¬£¬£¬ÏðËܾøÔµÌØÊâÊǽ»Áª¾ÛÒÒÏ©µçÀ£¬£¬£¬£¬£¬ÒòÆä¾ßÓÐÓÅÒìµÄÐÔÄÜ£¬£¬£¬£¬£¬»ñµÃÁËѸËÙµÄÉú³¤¡£¡£¡£¡£¡£¡£¡£ÏÖÔÚÔÚÖеÍѹµçѹƷ¼¶Öлù±¾È¡´úÁËÓͽþÖ½¾øÔµµçÀ£¬£¬£¬£¬£¬³¬¸ßѹ½»Áª¾ÛÒÒÏ©µçÀÂÒѾÉú³¤ÖÁ500KV£¬£¬£¬£¬£¬110KV¼°220KV½»Áª¾ÛÒÒÏ©µçÀÂÕýÔÚÖð²½È¡´ú³äµçµçÀ¡£¡£¡£¡£¡£¡£¡£
µçÀÂÄÍѹÊÔÑéÒªÁìÏê½â
ÄÍѹÊÔÑéÊÇÔËÐв¿·Ö¼ì²éµçÀ¿¹Ç¿¶ÈµÄ³£ÓÃÒªÁ죬£¬£¬£¬£¬Í¨¹ýÄÍѹÊÔÑé¿ÉÒÔÓÐÓõļì²é³öµçÀ¾øÔµÖÐµÄÆøÅÝ¡¢»úеËðÉ˵Ⱦֲ¿È±ÏÝ£¬£¬£¬£¬£¬·´Ó¦³ö³öµçÀ¾øÔµÀÏ»¯¡¢Êܳ±µÈÇéÐΡ£¡£¡£¡£¡£¡£¡£
ƾ֤ÊÔÑéµçѹµÄ²î±ð£¬£¬£¬£¬£¬µçÀÂÄÍѹÊÔÑéÓÖ·ÖΪֱÁ÷ÄÍѹÊÔÑéºÍ½»Á÷ÄÍѹÊÔÑé¡£¡£¡£¡£¡£¡£¡£
ͨ¹ýÖ±Á÷ÄÍѹÊÔÑé¿ÉÒÔ¼ì²é³öµçÀ¾øÔµÖÐµÄÆøÅÝ¡¢»úеËðÉ˵Ⱦֲ¿È±ÏÝ£¬£¬£¬£¬£¬Í¨¹ýÖ±Á÷ййµçÁ÷ÕÉÁ¿¿ÉÒÔ·´Ó¦¾øÔµÀÏ»¯¡¢Êܳ±µÈȱÏÝ£¬£¬£¬£¬£¬´Ó¶øÅиôÀëԵ״̬µÄÓÅÁÓ¡£¡£¡£¡£¡£¡£¡£
¿ÉÊÇÆ¾Ö¤º£ÄÚÍâһЩÔËÐÐÂÄÀúÅú×¢£¬£¬£¬£¬£¬ÈôÊǶԽ»Áª¾ÛÒÒÏ©µçÀÂÊ©¼ÓÖ±Á÷µçѹ£¬£¬£¬£¬£¬ÄÇôֱÁ÷ÊÔÑéÀú³ÌÖÐÔÚ½»Áª¾ÛÒÒÏ©µçÀ¼°Æä¸½¼þÖлáÐγɿռäµçºÉ£¬£¬£¬£¬£¬¶Ô¾øÔµ£¬£¬£¬£¬£¬ÓлýÀÛЧӦ£¬£¬£¬£¬£¬¼ÓËÙ¾øÔµÀÏ»¯£¬£¬£¬£¬£¬Ëõ¶ÌʹÓÃÊÙÃü£¬£¬£¬£¬£¬Í¬Ê±£¬£¬£¬£¬£¬Ö±Á÷µçѹϾøÔµµç³¡ÂþÑÜÓëÏÖʵÔËÐеçѹϲî±ð¡£¡£¡£¡£¡£¡£¡£
Ö±Á÷ÊÔÑé¼°¸ñµÄ½»Áª¾ÛÒÒÏ©µçÀ£¬£¬£¬£¬£¬Í¶ÈëÔËÐк󣬣¬£¬£¬£¬ÔÚÕý³£ÊÂÇéµçѹ×÷ÓÃÏÂÒ²»á±¬·¢¾øÔµÊ¹ʡ£¡£¡£¡£¡£¡£¡£Í¨¹ýÊ©¼Ó½»Á÷ÊÔÑéµçѹ£¬£¬£¬£¬£¬¿ÉÒÔ×èÖ¹ÒÔÉÏȱ·¦£¬£¬£¬£¬£¬²¢ÇÒ¿ÉÒÔÓÐÓõØÅбðÕý³£¾øÔµµÄ¾øÔµË®Æ½¡£¡£¡£¡£¡£¡£¡£Òò´Ë£¬£¬£¬£¬£¬Ïà¹ØÈËÊ¿½¨Òé¶Ô½»Áª¾ÛÒÒÏ©µçÀ½ðÊô»¤Ì×½ÓÄÉ10KV¡¢1minÖ±Á÷ÄÍѹÊÔÑéÍ⣬£¬£¬£¬£¬»¹ÔöÌíÁËÓô®ÁªÐ³Õñ»ò0.1Hz³¬µÍƵÀ´½»Á÷ÄÍѹµçѹÊÔÑé¡£¡£¡£¡£¡£¡£¡£
¶þµçÀÂÖ±Á÷ÄÍѹÊÔÑéÒªÁì
µçÀÂÖ±Á÷ÄÍѹÊÔÑéÄ¿µÄ
ͨ¹ýÖ±Á÷ÄÍѹÊÔÑé¿ÉÒÔ¼ì²é³öµçÀ¾øÔµÖÐµÄÆøÅÝ¡¢»úеËðÉ˵Ⱦֲ¿È±ÏÝ£¬£¬£¬£¬£¬Í¨¹ýÖ±Á÷ййµçÁ÷ÕÉÁ¿¿ÉÒÔ·´Ó¦¾øÔµÀÏ»¯¡¢Êܳ±µÈȱÏÝ£¬£¬£¬£¬£¬´Ó¶øÅиôÀëԵ״̬µÄÓÅÁÓ¡£¡£¡£¡£¡£¡£¡£
µçÀµÄÖ±Á÷ÄÍѹÊÔÑé¿ÉÓÃÖ±Á÷¸ßѹ±¬·¢Æ÷À´¾ÙÐÐÊÔÑ飬£¬£¬£¬£¬ZGFÖ±Á÷¸ßѹ±¬·¢Æ÷µÄµçѹ¡¢µçÁ÷±í¾ùΪÊý×ÖÏÔʾ£¬£¬£¬£¬£¬µçÑ¹Çø·ÖÂÊΪ0.1kV£¬£¬£¬£¬£¬µçÁ÷Çø·ÖÂÊΪ0.1uA£¬£¬£¬£¬£¬¿ØÖÆÏäÉϵçѹ±íÖ±½ÓÏÔʾ¼ÓÔÚ¸ºÔØÊÔÆ·Éϵĵçѹֵ£¬£¬£¬£¬£¬Ê¹ÓÃʱÎÞÐèÍâ¼Ó·ÖѹÆ÷£¬£¬£¬£¬£¬½ÓÏß¼òÆÓ¡£¡£¡£¡£¡£¡£¡£ÒÇÓþßÓиߡ¢µÍѹ¶ËÕÉÁ¿Ð¹Ð¹µçÁ÷£¬£¬£¬£¬£¬¸ßѹ¶Ë½ÓÄÉÔ²ÐÎÆÁÕÏÊý×Ö±íÏÔʾ£¬£¬£¬£¬£¬²»Å·ŵ繥»÷£¬£¬£¬£¬£¬¿¹×ÌÈÅÐÔÄܺ㬣¬£¬£¬£¬ÊʺÏÏÖ³¡Ê¹Óᣡ£¡£¡£¡£¡£¡£


1-΢°²±íÆÁÕÏ 2-µ¼Ï߯ÁÕÏ
3-Ïß¶ËÆÁÕÏ 4-ÀÂо¾øÔµµÄÆÁÕÏ»·
µçÀÂÖ±Á÷ÄÍѹÊÔÑéÒªÁì
1)ƾ֤ÊÔÑé½ÓÏßͼÓÉÒ»È˽ÓÏߣ¬£¬£¬£¬£¬½ÓÏßÍêºóÓÉÁíÒ»È˼ì²é£¬£¬£¬£¬£¬ÄÚÈݰüÀ¨ÊÔÑé½ÓÏßÓÐÎÞ¹ýʧ£¬£¬£¬£¬£¬¸÷ÒDZíÁ¿³ÌÊÇ·ñºÏÊÊ£¬£¬£¬£¬£¬ÊÔÑéÒÇÆ÷ÏÖ³¡½á¹¹ÊÇ·ñºÏÀí£¬£¬£¬£¬£¬ÊÔÑéÖ°Ô±µÄλÖÃÊÇ·ñ׼ȷ¡£¡£¡£¡£¡£¡£¡£
2)½«µçÀ³ä·Ö·Åµç£¬£¬£¬£¬£¬Ö¸Ê¾ÒDZíµ÷Á㣬£¬£¬£¬£¬µ÷ѹÆ÷ÖÃÓÚÁãλ¡£¡£¡£¡£¡£¡£¡£
3)ÕÉÁ¿µçÔ´µçѹֵ¡£¡£¡£¡£¡£¡£¡£
4)ºÏÉϵçÔ´µ¶Õ¢£¬£¬£¬£¬£¬Æô¶¯×°±¸£¬£¬£¬£¬£¬¸øÉýѹ»ØÂ·¼Óµç£¬£¬£¬£¬£¬Öð²½ÉýѹÖÁÔ¤ÏÈÈ·¶¨µÄÊÔÑéµçѹֵ£ºÔÚ0.25¡¢0.5¡¢0.75±¶ÊÔÑéµçѹϸ÷Í£Áô1·ÖÖÓ£¬£¬£¬£¬£¬¶ÁȡййµçÁ÷Öµ£¬£¬£¬£¬£¬ÔÚ1.0±¶ÊÔÑéµçѹ϶ÁÈ¡1·ÖÖÓ¼°5.·ÖÖÓййµçÁ÷Öµ£¬£¬£¬£¬£¬½»½Óʱ»¹Ó¦¶ÁÈ¡10·ÖÖÓºÍ15·ÖÖÓййµçÁ÷Öµ¡£¡£¡£¡£¡£¡£¡£
5)ÊÔÑéÍê±Ï£¬£¬£¬£¬£¬Ó¦ÏȽ«Éýѹ»ØÂ·Öе÷ѹÆ÷ÍË»ØÁãλ²¢ÇжϵçÔ´¡£¡£¡£¡£¡£¡£¡£
6)ÿ´ÎÊÔÑéºó£¬£¬£¬£¬£¬±ØÐ轫µçÀÂÏȾµç×è¶ÔµØ·Åµç£¬£¬£¬£¬£¬È»ºó¶ÔµØÖ±½Ó·Åµç¡£¡£¡£¡£¡£¡£¡£·Åµçʱ£¬£¬£¬£¬£¬Ó¦Ê¹ÓþøÔµ°ô£¬£¬£¬£¬£¬²¢¿Éƾ֤±»ÊÔÏà·Åµç»ð»¨µÄ¾Þϸ£¬£¬£¬£¬£¬»òÐíÏàʶÆä¾øÔµ×´Ì¬¡£¡£¡£¡£¡£¡£¡£
µçÀÂÖ±Á÷ÄÍѹÊÔÑéÅжϱê×¼
¶ÔÖ½¾øÔµµçÀ¶øÑÔ£¬£¬£¬£¬£¬ÈýÏà¼äµÄййµçÁ÷²»Æ½ºâϵÊý²»Ó¦´óÓÚ2£¬£¬£¬£¬£¬6/6kV¼°ÒÔϵçÀµÄййµçÁ÷СÓÚ10μA£¬£¬£¬£¬£¬8.7/10kVµçÀµÄййµçÁ÷ֵСÓÚ20μAʱ£¬£¬£¬£¬£¬¶Ô²»Æ½ºâϵÊý²»×÷»®¶¨¡£¡£¡£¡£¡£¡£¡£
ÔÚ¼ÓѹÀú³ÌÖУ¬£¬£¬£¬£¬Ð¹Ð¹µçÁ÷ͻȻת±ä£¬£¬£¬£¬£¬»òÕßËæÊ±¼äµÄÔöÌí¶øÔö´ó£¬£¬£¬£¬£¬»òÕßËæÊÔÑéµçѹµÄÉÏÉý¶ø²»¿É±ÈÀýµØ¼±¾çÔö´ó£¬£¬£¬£¬£¬ËµÃ÷µçÀ¾øÔµ±£´æÈ±ÏÝ£¬£¬£¬£¬£¬Ó¦½øÒ»²½²éÃ÷Ôµ¹ÊÔÓÉ£¬£¬£¬£¬£¬ÐëҪʱ¿ÉÑÓÉìÄÍѹʱ¼ä»òÌá¸ßÄÍѹֵÀ´ÕÒ¾øÔµÈ±ÏÝ¡£¡£¡£¡£¡£¡£¡£
ÏàÓëÏà¼äµÄййµçÁ÷Ïà²îºÜ´ó£¬£¬£¬£¬£¬ËµÃ÷µçÀÂijоÏß¾øÔµ¿ÉÄܱ£´æ¾Ö²¿È±ÏÝ¡£¡£¡£¡£¡£¡£¡£
µçÀ½»Á÷ÄÍѹÊÔÑéÒªÁì
µçÀ½»Á÷ÄÍѹÊÔÑéÄ¿µÄ
ͨ¹ýÊ©¼Ó½»Á÷ÊÔÑéµçѹ£¬£¬£¬£¬£¬¿ÉÒÔÌî²¹µçÀÂÖ±Á÷ÄÍѹÊÔÑéµÄȱ·¦£¬£¬£¬£¬£¬²¢ÇÒ¿ÉÒÔÓÐÓõØÅбðÕý³£¾øÔµµÄ¾øÔµË®Æ½¡£¡£¡£¡£¡£¡£¡£
ÕÉÁ¿µçÀµĽ»Á÷ÄÍѹÊÔÑé³£ÓõÄ×°±¸ÊÇ±äÆµ´®ÁªÐ³ÕñÄÍѹװÖ㬣¬£¬£¬£¬´®ÁªÐ³ÕñÊÔÑé×°ÖÃÊÇÔËÓô®ÁªÐ³ÕñÔÀí£¬£¬£¬£¬£¬Ê¹ÓÃÀø´Å±äѹÆ÷Òý·¢´®ÁªÐ³Õñ»ØÂ·£¬£¬£¬£¬£¬µ÷Àí±äƵ¿ØÖÆÆ÷µÄÊä³öƵÂÊ£¬£¬£¬£¬£¬Ê¹»ØÂ·µç¸Ð L ºÍÊÔÆ· C ´®ÁªÐ³Õñ£¬£¬£¬£¬£¬Ð³Õñµçѹ¼´Îª¼Óµ½ÊÔÆ·Éϵçѹ¡£¡£¡£¡£¡£¡£¡£×°±¸¾ßÓÐÌå»ýС¡¢ÖØÁ¿Çá¡¢²Ù×÷Àû±ãµÈÓŵ㡣¡£¡£¡£¡£¡£¡£³ý´ËÖ®Í⣬£¬£¬£¬£¬»¹ÒÔ½ÓÄɳ¬µÍƵÄÍѹÊÔÑé×°ÖþÙÐеçÀµĽ»Á÷ÄÍÊÔÑé¡£¡£¡£¡£¡£¡£¡£


ͼ1 ¹¤ÆµÄÍѹÊÔÑé½ÓÏßͼ
Ty—µ÷ѹÆ÷£»£»£»£»£»£»T—ÊÔÑé±äѹÆ÷£»£»£»£»£»£»R—ÏÞÁ÷µç£»£»£»£»£»£»r—Çò϶ºÃºýµç×裻£»£»£»£»£»G—Çò¼ä϶£»£»£»£»£»£»
Cx—±»ÊÔÆ·£»£»£»£»£»£»C1¡¢C2—µçÈÝ·ÖѹÆ÷£»£»£»£»£»£»V—µçѹ±í
ͼ2 ¹¤Æµ´®ÁªÐ³ÕñÄÍѹÊÔÑé½ÓÏßͼ
ͼ3 ±äƵ´®ÁªÐ³ÕñÄÍѹÊÔÑé½ÓÏßͼ
µçÀ½»Á÷ÄÍѹÊÔÑéÒªÁì
1)¼ì²éÊÔÑéµçÔ´¡¢µ÷ѹÆ÷ºÍÊÔÑé±äѹÆ÷Õý³£¡£¡£¡£¡£¡£¡£¡£°´½ÓÏßͼ׼±¸ÊÔÑ飬£¬£¬£¬£¬°ü¹ÜËùÓÐÊÔÑé×°±¸¡¢ÒDZíÒÇÆ÷½ÓÏß׼ȷ¡¢Ö¸Ê¾×¼È·¡£¡£¡£¡£¡£¡£¡£
2) Ò»ÇÐ×°±¸ÒDZí½ÓºÃºó£¬£¬£¬£¬£¬ÔÚ¿ÕÔØÌõ¼þϵ÷½â±£»£»£»£»£»£»¤¼ä϶£¬£¬£¬£¬£¬Æä·ÅµçµçѹΪÊÔÑéµçѹµÄ110% - 120%¹æÄ£ÄÚ£¨Èç½ÓÄÉ´®ÁªÐ³Õñ£¬£¬£¬£¬£¬ÐèÒªÁíÍâµÄ±äѹÆ÷µ÷½â±£»£»£»£»£»£»¤¼ä϶£©¡£¡£¡£¡£¡£¡£¡£²¢µ÷½âÊÔÑéµçѹÔÚ¸ßÓÚÊÔÑéµçѹ5%ÏÂά³Ö2minºó½«µçѹ½µÖÁÁ㣬£¬£¬£¬£¬À¿ªµçÔ´¡£¡£¡£¡£¡£¡£¡£
3)¾ÓÉÏÞÁ÷µç×èRÔÚ¸ßѹ²à¶Ì·£¬£¬£¬£¬£¬µ÷½â¹ýÁ÷±£»£»£»£»£»£»¤ÌøÕ¢µÄ¿É¿¿ÐÔ¡£¡£¡£¡£¡£¡£¡£
4)µçѹºÍµçÁ÷±£»£»£»£»£»£»¤µ÷ÊÔ¼ì²éÎÞÎ󣬣¬£¬£¬£¬ÖÖÖÖÒDZí½ÓÏß׼ȷºó£¬£¬£¬£¬£¬¼´¿É½«¸ßѹÒýÏß½Óµ½±»ÊÔÈÆ×éÉϾÙÐÐÊÔÑé¡£¡£¡£¡£¡£¡£¡£
5)Éýѹ±ØÐè´ÓÁã×îÏÈ£¬£¬£¬£¬£¬ÉýѹËÙÂÊÔÚ40%ÊÔÑéµçѹÒÔÄڿɲ»ÊÜÏÞÖÆ£¬£¬£¬£¬£¬ØÊºóÓ¦ÔȳÆÉýѹ£¬£¬£¬£¬£¬ËÙÂÊԼÿÃë3%µÄÊÔÑéµçѹ¡£¡£¡£¡£¡£¡£¡£ÉýÖÁÊÔÑéµçѹºóά³Ö¹æ³ÌËù»®×¼Ê±¼ä¡£¡£¡£¡£¡£¡£¡£
6)½«µçѹ½µÖÁÁ㣬£¬£¬£¬£¬À¿ªµçÔ´£¬£¬£¬£¬£¬¸ÃÊÔÑ鿢ʡ£¡£¡£¡£¡£¡£¡£
µçÀ½»Á÷ÄÍѹÊÔÑéÅжϱê×¼
ÈôÊÇÊÔÑéÖÐ䱬·¢»÷´©·ÅµçÕ÷Ï󣬣¬£¬£¬£¬ÔòÒÔΪÊÔÑéͨ¹ý¡£¡£¡£¡£¡£¡£¡£

